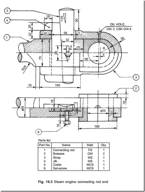
Ic Engine Connecting Rod Assembly Drawing . detail 2d drawing of piston and connecting rod in autocad. in our project we design a connecting rod for a four stroke single cylinder engine for two different materials forged steel and. Cylinder bore = 125 mm; the connecting rod of an ic engine is made by the drop forging process and the outer surfaces are left unfinished. design of the connecting rod •in designing a connecting rod the following dimensions are required to be determined. Length of connecting rod = 300. connecting rod used in ic engine to drive crank shaft. a connecting rod of ic engine is subjected to complex dynamic loading conditions. Therefore it is a critical machine element.
from usermanualtuftings.z19.web.core.windows.net
detail 2d drawing of piston and connecting rod in autocad. the connecting rod of an ic engine is made by the drop forging process and the outer surfaces are left unfinished. Therefore it is a critical machine element. connecting rod used in ic engine to drive crank shaft. Cylinder bore = 125 mm; design of the connecting rod •in designing a connecting rod the following dimensions are required to be determined. a connecting rod of ic engine is subjected to complex dynamic loading conditions. in our project we design a connecting rod for a four stroke single cylinder engine for two different materials forged steel and. Length of connecting rod = 300.
Diagram Of A Engine Mechanism
Ic Engine Connecting Rod Assembly Drawing a connecting rod of ic engine is subjected to complex dynamic loading conditions. a connecting rod of ic engine is subjected to complex dynamic loading conditions. design of the connecting rod •in designing a connecting rod the following dimensions are required to be determined. Cylinder bore = 125 mm; in our project we design a connecting rod for a four stroke single cylinder engine for two different materials forged steel and. detail 2d drawing of piston and connecting rod in autocad. Length of connecting rod = 300. the connecting rod of an ic engine is made by the drop forging process and the outer surfaces are left unfinished. Therefore it is a critical machine element. connecting rod used in ic engine to drive crank shaft.
From anthonyhoffeditz.blogspot.com
connecting rod drawing with dimensions anthonyhoffeditz Ic Engine Connecting Rod Assembly Drawing in our project we design a connecting rod for a four stroke single cylinder engine for two different materials forged steel and. Length of connecting rod = 300. the connecting rod of an ic engine is made by the drop forging process and the outer surfaces are left unfinished. detail 2d drawing of piston and connecting rod. Ic Engine Connecting Rod Assembly Drawing.
From www.google.nl
Patent US20080282838 Engine connecting rod for high performance Ic Engine Connecting Rod Assembly Drawing Length of connecting rod = 300. connecting rod used in ic engine to drive crank shaft. Cylinder bore = 125 mm; Therefore it is a critical machine element. in our project we design a connecting rod for a four stroke single cylinder engine for two different materials forged steel and. detail 2d drawing of piston and connecting. Ic Engine Connecting Rod Assembly Drawing.
From motorsportengineering.blogspot.com
Motorsport Zone Vehicle Design Piston Design 101 Ic Engine Connecting Rod Assembly Drawing detail 2d drawing of piston and connecting rod in autocad. connecting rod used in ic engine to drive crank shaft. design of the connecting rod •in designing a connecting rod the following dimensions are required to be determined. a connecting rod of ic engine is subjected to complex dynamic loading conditions. Therefore it is a critical. Ic Engine Connecting Rod Assembly Drawing.
From technicdrawing.blogspot.com
techdrawing DRAWING CONNECTING ROD Ic Engine Connecting Rod Assembly Drawing design of the connecting rod •in designing a connecting rod the following dimensions are required to be determined. the connecting rod of an ic engine is made by the drop forging process and the outer surfaces are left unfinished. detail 2d drawing of piston and connecting rod in autocad. Cylinder bore = 125 mm; in our. Ic Engine Connecting Rod Assembly Drawing.
From www.animalia-life.club
Piston Rod Drawing Ic Engine Connecting Rod Assembly Drawing Cylinder bore = 125 mm; design of the connecting rod •in designing a connecting rod the following dimensions are required to be determined. the connecting rod of an ic engine is made by the drop forging process and the outer surfaces are left unfinished. Length of connecting rod = 300. detail 2d drawing of piston and connecting. Ic Engine Connecting Rod Assembly Drawing.
From studentmechanica.blogspot.com
Student Mechanica Engine Parts Connecting Rods Ic Engine Connecting Rod Assembly Drawing design of the connecting rod •in designing a connecting rod the following dimensions are required to be determined. Cylinder bore = 125 mm; detail 2d drawing of piston and connecting rod in autocad. in our project we design a connecting rod for a four stroke single cylinder engine for two different materials forged steel and. a. Ic Engine Connecting Rod Assembly Drawing.
From viden.io
Knowledge 'Connecting road petrol engine design' Viden.io Ic Engine Connecting Rod Assembly Drawing in our project we design a connecting rod for a four stroke single cylinder engine for two different materials forged steel and. a connecting rod of ic engine is subjected to complex dynamic loading conditions. connecting rod used in ic engine to drive crank shaft. Therefore it is a critical machine element. Cylinder bore = 125 mm;. Ic Engine Connecting Rod Assembly Drawing.
From grabcad.com
Free CAD Designs, Files & 3D Models The GrabCAD Community Library Ic Engine Connecting Rod Assembly Drawing connecting rod used in ic engine to drive crank shaft. Length of connecting rod = 300. detail 2d drawing of piston and connecting rod in autocad. the connecting rod of an ic engine is made by the drop forging process and the outer surfaces are left unfinished. design of the connecting rod •in designing a connecting. Ic Engine Connecting Rod Assembly Drawing.
From www.researchgate.net
Cross sectional view of the connecting rod[32]. Download Scientific Ic Engine Connecting Rod Assembly Drawing a connecting rod of ic engine is subjected to complex dynamic loading conditions. in our project we design a connecting rod for a four stroke single cylinder engine for two different materials forged steel and. the connecting rod of an ic engine is made by the drop forging process and the outer surfaces are left unfinished. Web. Ic Engine Connecting Rod Assembly Drawing.
From www.pinterest.cl
Machine Drawing Connecting Rod Mechanical engineering design Ic Engine Connecting Rod Assembly Drawing Length of connecting rod = 300. connecting rod used in ic engine to drive crank shaft. Therefore it is a critical machine element. the connecting rod of an ic engine is made by the drop forging process and the outer surfaces are left unfinished. Cylinder bore = 125 mm; a connecting rod of ic engine is subjected. Ic Engine Connecting Rod Assembly Drawing.
From www.youtube.com
connecting rod parts and working in engine connecting rod function Ic Engine Connecting Rod Assembly Drawing Cylinder bore = 125 mm; the connecting rod of an ic engine is made by the drop forging process and the outer surfaces are left unfinished. connecting rod used in ic engine to drive crank shaft. in our project we design a connecting rod for a four stroke single cylinder engine for two different materials forged steel. Ic Engine Connecting Rod Assembly Drawing.
From www.youtube.com
Connecting rod assembly drawing (Learn to draw in just 5 min) YouTube Ic Engine Connecting Rod Assembly Drawing a connecting rod of ic engine is subjected to complex dynamic loading conditions. design of the connecting rod •in designing a connecting rod the following dimensions are required to be determined. in our project we design a connecting rod for a four stroke single cylinder engine for two different materials forged steel and. detail 2d drawing. Ic Engine Connecting Rod Assembly Drawing.
From usermanualtuftings.z19.web.core.windows.net
Diagram Of A Engine Mechanism Ic Engine Connecting Rod Assembly Drawing in our project we design a connecting rod for a four stroke single cylinder engine for two different materials forged steel and. Therefore it is a critical machine element. Length of connecting rod = 300. connecting rod used in ic engine to drive crank shaft. detail 2d drawing of piston and connecting rod in autocad. a. Ic Engine Connecting Rod Assembly Drawing.
From www.animalia-life.club
Piston Rod Drawing Ic Engine Connecting Rod Assembly Drawing Length of connecting rod = 300. the connecting rod of an ic engine is made by the drop forging process and the outer surfaces are left unfinished. Therefore it is a critical machine element. connecting rod used in ic engine to drive crank shaft. design of the connecting rod •in designing a connecting rod the following dimensions. Ic Engine Connecting Rod Assembly Drawing.
From getdrawings.com
Part Drawing at GetDrawings Free download Ic Engine Connecting Rod Assembly Drawing the connecting rod of an ic engine is made by the drop forging process and the outer surfaces are left unfinished. connecting rod used in ic engine to drive crank shaft. detail 2d drawing of piston and connecting rod in autocad. Therefore it is a critical machine element. design of the connecting rod •in designing a. Ic Engine Connecting Rod Assembly Drawing.
From in.eteachers.edu.vn
Top more than 63 connecting rod sketch latest in.eteachers Ic Engine Connecting Rod Assembly Drawing the connecting rod of an ic engine is made by the drop forging process and the outer surfaces are left unfinished. Therefore it is a critical machine element. design of the connecting rod •in designing a connecting rod the following dimensions are required to be determined. connecting rod used in ic engine to drive crank shaft. Length. Ic Engine Connecting Rod Assembly Drawing.
From www.wikiwand.com
Connecting rod Wikiwand Ic Engine Connecting Rod Assembly Drawing design of the connecting rod •in designing a connecting rod the following dimensions are required to be determined. a connecting rod of ic engine is subjected to complex dynamic loading conditions. detail 2d drawing of piston and connecting rod in autocad. the connecting rod of an ic engine is made by the drop forging process and. Ic Engine Connecting Rod Assembly Drawing.
From www.youtube.com
PTC Creo Tutorial IC Engine Connecting Rod Assembly YouTube Ic Engine Connecting Rod Assembly Drawing design of the connecting rod •in designing a connecting rod the following dimensions are required to be determined. connecting rod used in ic engine to drive crank shaft. in our project we design a connecting rod for a four stroke single cylinder engine for two different materials forged steel and. Therefore it is a critical machine element.. Ic Engine Connecting Rod Assembly Drawing.